【※不正利用防止のため、注文情報に不備や不審な点がある場合は注文をキャンセルさせていただく場合がございます。】


【納期遅延について】
メーカー欠品中の場合は商品詳細の発送予定日よりお時間かかる可能性がございます。
予めご了承ください。
遅延が発覚した場合は、別途メールにてご連絡させていただきます。
ご購入後はメールのご確認をお願い致します。


【販売終了品について】
販売終了している商品は当店でお取り扱いが終了した時点での定価と販売価格になります。
販売終了している商品へお取替えをご希望の場合は、取替え可能な代替品をご案内させていただきます。
お取替え工事ご希望の方はこちらをご参照ください。



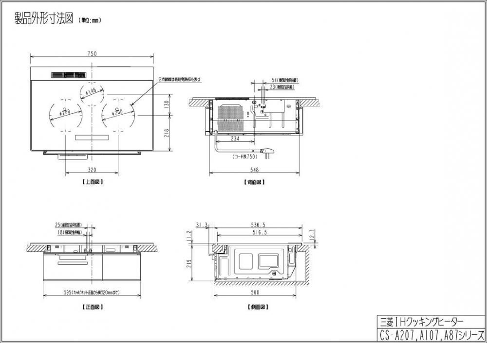
IHクッキングヒーター 三菱電機製(MITSUBISHI)CS-A207-S 3口IH 間口75cm マットシルバー

CS-A207-S

232,700円(税込255,970円)

定価 510,000円(税込561,000円)

※お取り寄せ商品につき、お届けまでに7営業日前後(土日祝休日)かかります。
メーカー都合によっては納期がかかる場合があります。

CROSS+TOPシリーズ

●間口:75cm
●トッププレートカラー:マットシルバー
●本体正面色:クリアシルバー
●レンジフード連動
●水無し両面焼き
●上面操作:ガラスタッチ式(ONEタッチプレート)

●音声ガイド
●簡単・切タイマー
●高感度センサー
●端まで加熱
●かきまぜ加熱(煮込み・ゆでもの)
●フライパン適温調理 (左右IH5段階)
●湯わかし(左右IH)
●炊飯機能(右IH)
●揚げ物機能/少量油対応
●保温機能(左右IH)
●おいしクリーングリル
●オーブン加熱
●調理メニュー(自動6メニュー・手動9メニュー)
●冷凍調理
●フライパングリル調理
●ミックスグリル
●低温調理
●グリル庫内照明
●煙抑制構造/排気ダクト着脱

※一部専用のフライパン、鍋のみ対応の機能がございます。

※上記内容は2025年9月のカタログ掲載情報となります。

☆工事ご希望の方はこちら
☆この商品の関連情報と施工事例はこちら

カテゴリーから探す